


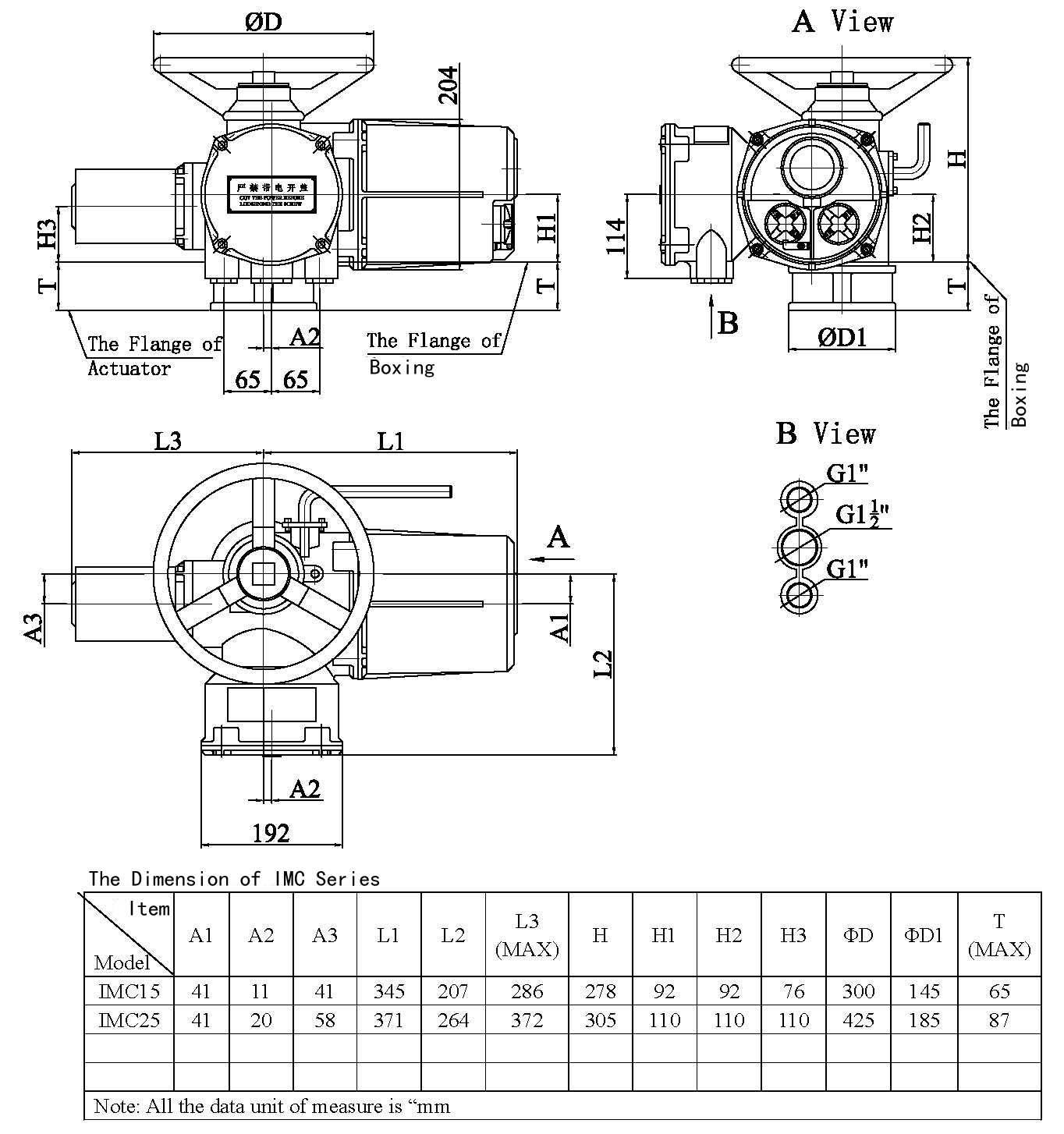
IMC series , the third generation of muti-turn intelligent electric valve actuators were developed independently by Tianjin Baili Ertong machinery co.,ltd. The torque which is controlled great rang is from 50 to 400,000N.M. The domestic leading off-electric manual back-up battery power display technology. Customers can locally set the IMC series actuators as non-intrusive form. In addition, the controlling function of industrial field bus network was applied in IMC.